Новости, обзоры и акции
Новости, обзоры и акции
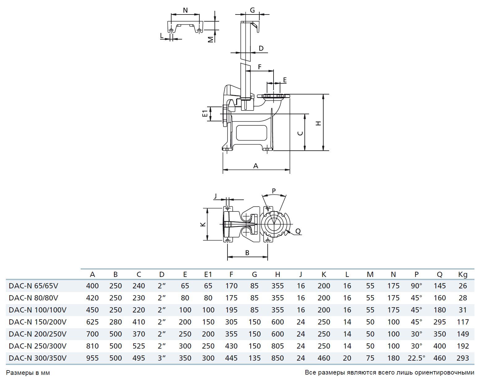
Донное присоединительное устройство Zenit DAC DN65
Особенности
Донное соединительное устройство DAC с вертикальным напорным отверстием позволяет выполнять техническое обслуживание насоса без опорожнения резервуара, а также удерживает всасывающее отверстие насоса на оптимальной высоте. Корпус выполнен из чугуна, уплотнение из резины NBR.
Комплектация: донное соединительное устройство, скользящий фланец, верхний крепеж для фиксирования направляющих труб.
Донное присоединительное устройство Zenit DAC DN65 в продаже по цене 16 580 руб. в Интернет-магазине Проф-инструмент с доставкой в Екатеринбурге и Свердловской области. Звоните по телефону +8 (800) 302-10-51.
