Новости, обзоры и акции
Новости, обзоры и акции
Сверлильный станок на магните MBSR-100
Особенности
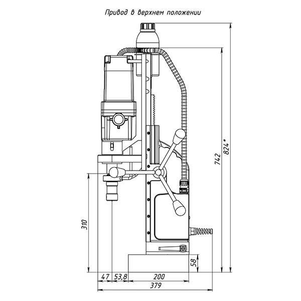
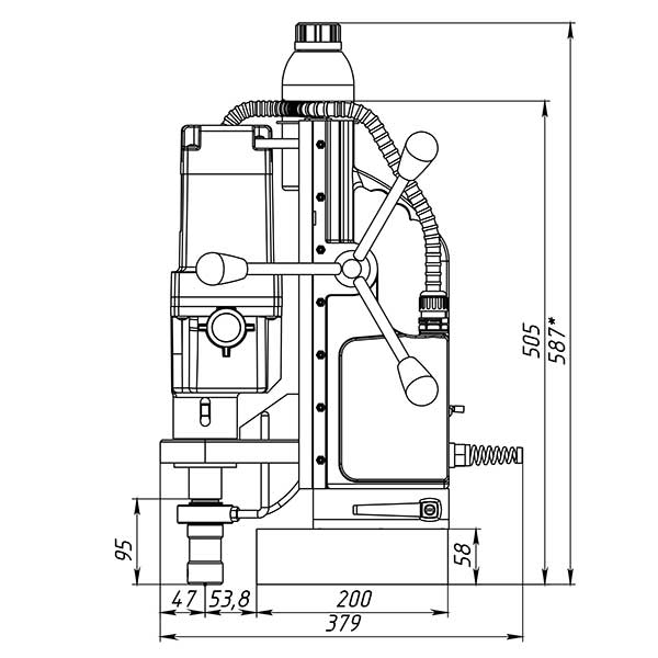
Предназначен для промышленного использования, сверления большого количества отверстий диаметром до 100 мм., также будет надежен при использовании спиральных сверл диаметром до 32 мм. Нарезка глухой резьбы возможна без специальных резьбонарезных патронов. Подвижное основание относительно магнита. Это станок с подвижным магнитным основанием, то есть при активированном электромагните возможно разъединить жесткую связь станины с магнитом и отрегулировать положение центра сверла, потом снова жестко закрепить станок поворотом рукоятки. Эта функция весьма полезна при сверлении вертикальных поверхностей, потому что трудно с первой попытки попасть довольно тяжелым магнитым станком в центр будущего отверстия. На магнитных станках зарубежных производителей такая функция называется "магнитное основание с юстировкой".
Важными свойствами этого станка являются реверс, то есть переключение вращения по и против часовой стрелки, плавная регулировка частоты вращения сверла и специальная электронная регулировка вращающего момента. Эта функция мгновенно отключает двигатель при достижении определенной величины усилия, которое выставляется регулятором на корпусе. Этот набор качеств дает возможность использовать станок MBSR-100 в качестве сверлильно-резьбонарезного станка на магнитном основании. При этом даже не требуется специальный резьбонарезной патрон, сверление и нарезание резьбы в глухих отверстиях совершенно безопасно благодаря электронному регулированию вращающего момента.
Преимущества
- Усовершенствованное подвижное основание, не имеющее аналогов в мире по надежности и удобству применения, позволяет отрегулировать положение закрепленного станка в секторе 60 градусов и смещение его вдоль магнита на 15 мм, с тем, чтобы с максимальной точностью просверлить отверстие в стальной балке, переборке или трубе.
- Новый усовершенствованный электромагнит, с увеличенной прижимной силой и специальной водостойкой пропиткой катушек, устойчивой к воздействию СОЖ.
- Мощный немецкий электродвигатель Eibenstock с двухкамерной системой смазки редуктора и механическим переключением скоростей, плавный старт, электронная бесступенчатая регулировка скорости вращения, защита от перегрузки, реверс (правое и левое вращение вала).
- Нарезка глухой резьбы возможна без специальных резьбонарезных патронов – встроенный ограничитель крутящего момента останавливает вал электропривода при достижении установленной величины.
- Высокая точность сверления - максимальное радиальное биение в пределах 0,08 мм.
- Установка рукояток подачи в правом и левом положении.
- С использованием дополнительных адаптеров АКСТ, станок можно устанавливать на неровных поверхностях, трубах, а так же не магнитных трубах. Конструкторы нашей компании готовы рассмотреть и разработать любую оснастку, которая решит Ваши задачи.
Дополнительные возможности
- Установка адаптера для врезки в трубы диаметром от 650 мм (адаптер АКСТ3)
Комплектация
- магнитный сверлильный станок
- держатель корончатого сверла с хвостовиком Weldon 19 и внутренним подводом СОЖ
- ключи для смены инструмента и регулировки
- клин для снятия конуса Морзе
- бачок для СОЖ с трубкой
- страховочная цепь
- клин для снятия оснастки
- рукоятки
- ящик
Сверлильный станок на магните MBSR-100 в продаже по цене 163 415 руб. в Интернет-магазине Проф-инструмент с доставкой в Екатеринбурге и Свердловской области. Звоните по телефону +8 (800) 302-10-51.
